Rangkaian Kabel Dispenser Cosmos





Memperbaiki Dispenser Panas Dingin 1 Elektronika Spot

Memperbaiki Dispenser Panas Dingin 1 Elektronika Spot

Rangkaian Kabel Dispenser Air Panas Normal Dingin Miyako

Rangkaian Kabel Dispenser Air Panas Normal Dingin Miyako

Memperbaiki Dispenser Panas Dingin 1 Elektronika Spot

Memperbaiki Dispenser Panas Dingin 1 Elektronika Spot

Cara Memperbaiki Dispenser Dengan Taspen Servis Dispenser

Cara Memperbaiki Dispenser Dengan Taspen Servis Dispenser

Memperbaiki Dispenser Panas Dingin 1 Elektronika Spot

Memperbaiki Dispenser Panas Dingin 1 Elektronika Spot

Belajar Prinsip Kerja Pemanas Air Otomatis Dispenser Dengan Lebih

Belajar Prinsip Kerja Pemanas Air Otomatis Dispenser Dengan Lebih

Belajar Prinsip Kerja Pemanas Air Otomatis Dispenser Dengan Lebih

Fungsi Komponen Elektronik Dispenser Air Mineral Alat Rumah Tangga

Fungsi Komponen Elektronik Dispenser Air Mineral Alat Rumah Tangga

Prinsip Kerja Dispenser Termodinamika 8 Youtube

Prinsip Kerja Dispenser Termodinamika 8 Youtube

5 Daftar Permasalahan Yang Sering Terjadi Pada Dispenser Sekaligus

5 Daftar Permasalahan Yang Sering Terjadi Pada Dispenser Sekaligus

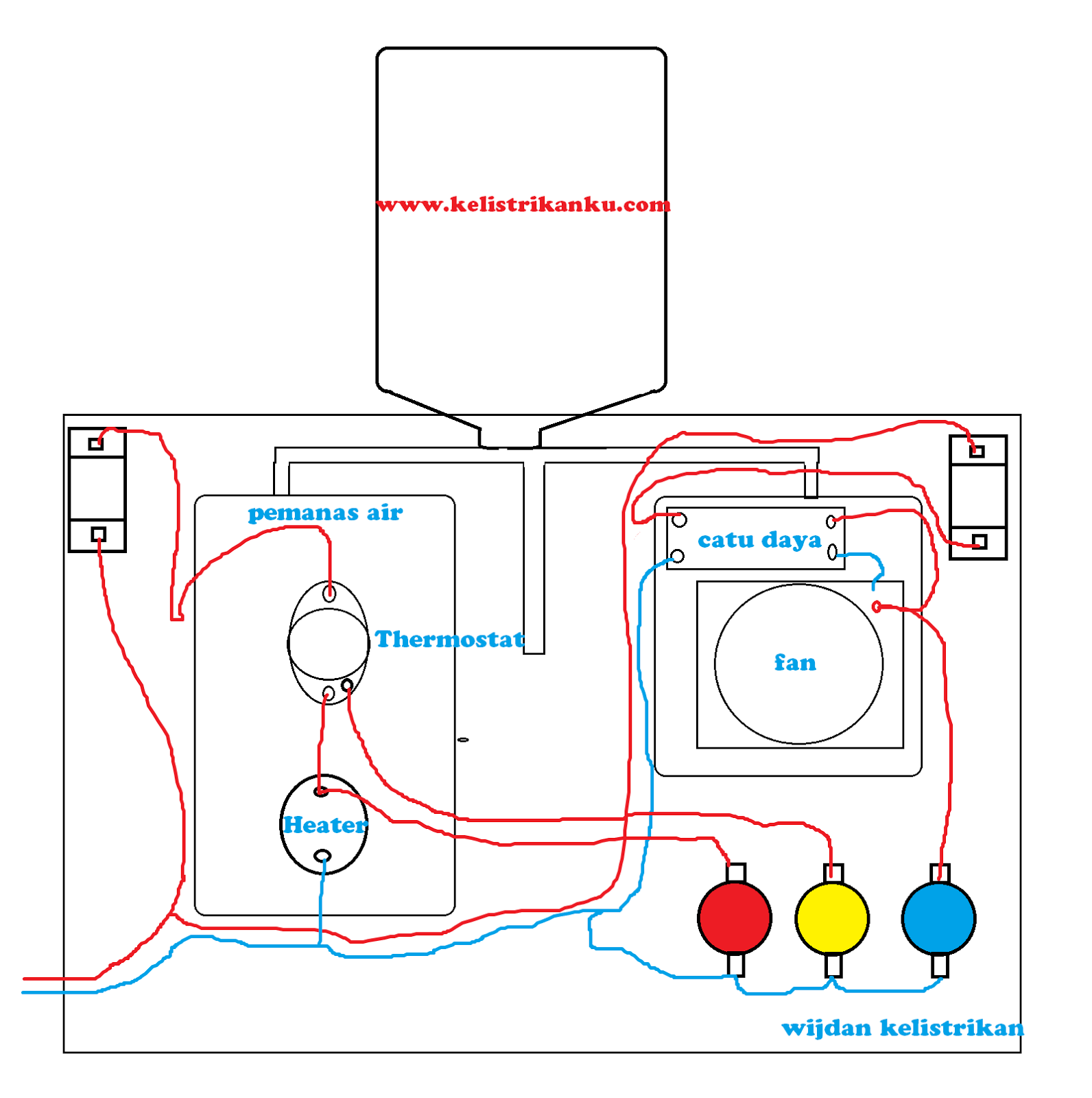
4 Jenis Kerusakan Dispenser Dan Cara Memperbaikinya Wijdan

4 Jenis Kerusakan Dispenser Dan Cara Memperbaikinya Wijdan

Memperbaiki Dispenser Panas Dingin 1 Elektronika Spot

Memperbaiki Dispenser Panas Dingin 1 Elektronika Spot

Cara Menyambung Kabel Dispenser Air Langsung Tanpa Pakai Tombol

Cara Menyambung Kabel Dispenser Air Langsung Tanpa Pakai Tombol

Cara Memperbaiki Dispenser Sanken Tidak Dingin

Cara Memperbaiki Dispenser Sanken Tidak Dingin

Ternyata Ini Kelemahan Dispenser Miyako Pipa Air Panas Cepat Bocor

Ternyata Ini Kelemahan Dispenser Miyako Pipa Air Panas Cepat Bocor

Skema Rangkaian Kabel Dispenser Miyako Panas Dingin

Skema Rangkaian Kabel Dispenser Miyako Panas Dingin

4 Jenis Kerusakan Dispenser Dan Cara Memperbaikinya Wijdan

4 Jenis Kerusakan Dispenser Dan Cara Memperbaikinya Wijdan

Cara Menyambung Kabel Dispenser Air Langsung Tanpa Pakai Tombol

Cara Menyambung Kabel Dispenser Air Langsung Tanpa Pakai Tombol

Cara Memperbaiki Dispenser Air Tidak Panas Youtube

Cara Memperbaiki Dispenser Air Tidak Panas Youtube

Jual Miyako Wd289hc Dispenser Air Hot And Cold Jakarta Barat

Jual Miyako Wd289hc Dispenser Air Hot And Cold Jakarta Barat

Fungsi Komponen Elektronik Dispenser Air Mineral Alat Rumah Tangga

Fungsi Komponen Elektronik Dispenser Air Mineral Alat Rumah Tangga

Source : pinterest.com