Rangkaian Kabel Body Ninja Rr





Lentera Motor Diagram Sistem Pengapian Ninja Super Kips 150

Lentera Motor Diagram Sistem Pengapian Ninja Super Kips 150

Warna Kabel Instalasi Motor Ninja Skemanya Hourex150l S Blog

Warna Kabel Instalasi Motor Ninja Skemanya Hourex150l S Blog

Fullwaving Kawasaki Ninja 150r Kotsk

Fullwaving Kawasaki Ninja 150r Kotsk

Rangkaian Kabel Ninja R Lemondedeitchi Blogspot Com

Rangkaian Kabel Ninja R Lemondedeitchi Blogspot Com

Fullwaving Kawasaki Ninja 150r Kotsk

Fullwaving Kawasaki Ninja 150r Kotsk

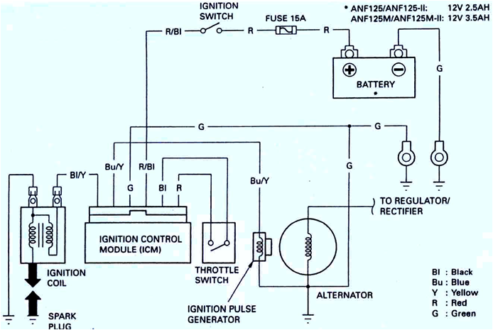
Mengenal Warna Warna Kabel Motor Honda Hourex150l S Blog

Mengenal Warna Warna Kabel Motor Honda Hourex150l S Blog

Mengenal Warna Warna Kabel Motor Honda Hourex150l S Blog

Jalur Kabel Body Ninja Rr Lemondedeitchi Blogspot Com

Jalur Kabel Body Ninja Rr Lemondedeitchi Blogspot Com

Tips Pasang Saklar Lampu Untuk Motor Baru Part 2 Diagram

Tips Pasang Saklar Lampu Untuk Motor Baru Part 2 Diagram

Jalur Kabel Body Ninja Rr Lemondedeitchi Blogspot Com

Jalur Kabel Body Ninja Rr Lemondedeitchi Blogspot Com

Fullwaving Kawasaki Ninja 150r Kotsk

Fullwaving Kawasaki Ninja 150r Kotsk

Fullwaving Kawasaki Ninja Rr 150l M N Kotsk

Fullwaving Kawasaki Ninja Rr 150l M N Kotsk

Jual Produk Sejenis Kabel Body Ninja R Ac Lama Twobrother

Jual Produk Sejenis Kabel Body Ninja R Ac Lama Twobrother

Wiring Diagram Kiprok Motor Diagram Base Website Kiprok Motor

Wiring Diagram Kiprok Motor Diagram Base Website Kiprok Motor

Jalur Sistem Pengapian Kawasaki Ninja R 150 Kips Kum3n Com

Jalur Sistem Pengapian Kawasaki Ninja R 150 Kips Kum3n Com

Rangkaian Kabel Ninja R Lemondedeitchi Blogspot Com

Rangkaian Kabel Ninja R Lemondedeitchi Blogspot Com

Wiring Diagram Vega Zr Diagram Base Website Vega Zr

Wiring Diagram Vega Zr Diagram Base Website Vega Zr

Wiring Diagram Kelistrikan Vespa Diagram Base Website Kelistrikan

Wiring Diagram Kelistrikan Vespa Diagram Base Website Kelistrikan

Wiring Diagram Supra X 125 Diagram Base Website X 125

Wiring Diagram Supra X 125 Diagram Base Website X 125

Fullwaving Kawasaki Ninja 150r Kotsk

Fullwaving Kawasaki Ninja 150r Kotsk

Wiring Diagram Cdi Jupiter Diagram Base Website Cdi Jupiter

Wiring Diagram Cdi Jupiter Diagram Base Website Cdi Jupiter

Source : pinterest.com